可控硅知識的問與答


 


一、可控硅的概念和結構?

晶閘管又叫可控硅。它的主要成員有單向晶閘管、雙向晶閘管、光控晶閘管、逆導晶閘管、可關斷晶閘管、快速晶閘管等等。今天大家使用的是單向晶閘管,也就是人們常説的普通晶閘管,它是由四層半導體材料組成的,有三個PN結,對外有三個電極〔圖2(a)〕:第一層P型半導體引出的電極叫陽極A,第三層P型半導體引出的電極叫控制極G,第四層N型半導體引出的電極叫陰極K。從晶閘管的電路符號〔圖2(b)〕可以看到,它和二極管一樣是一種單方向導電的器件,關鍵是多了一個控制極G,這就使它具有與二極管完全不同的工作特性。

構建可控圖像生成數據集_up

圖2

二、晶閘管的主要工作特性

為了能夠直觀地認識晶閘管的工作特性,大家先看這塊示教板(圖3)。晶閘管VS與小燈泡EL串聯起來,通過開關S接在直流電源上。注意陽極A是接電源的正極,陰極K接電源的負極,控制極G通過按鈕開關SB接在3V直流電源的正極(這裏使用的是KP5型晶閘管,若採用KP1型,應接在1.5V直流電源的正極)。晶閘管與電源的這種連接方式叫做正向連接,也就是説,給晶閘管陽極和控制極所加的都是正向電壓。現在我們合上電源開關S,小燈泡不亮,説明晶閘管沒有導通;再按一下按鈕開關SB,給控制極輸入一個觸發電壓,小燈泡亮了,説明晶閘管導通了。這個演示實驗給了我們什麼啓發呢?

 

構建可控圖像生成數據集_測試_02

圖3

這個實驗告訴我們,要使晶閘管導通,一是在它的陽極A與陰極K之間外加正向電壓,二是在它的控制極G與陰極K之間輸入一個正向觸發電壓。晶閘管導通後,鬆開按鈕開關,去掉觸發電壓,仍然維持導通狀態。

晶閘管的特點: 是“一觸即發”。但是,如果陽極或控制極外加的是反向電壓,晶閘管就不能導通。控制極的作用是通過外加正向觸發脈衝使晶閘管導通,卻不能使它關斷。那麼,用什麼方法才能使導通的晶閘管關斷呢?使導通的晶閘管關斷,可以斷開陽極電源(圖3中的開關S)或使陽極電流小於維持導通的最小值(稱為維持電流)。如果晶閘管陽極和陰極之間外加的是交流電壓或脈動直流電壓,那麼,在電壓過零時,晶閘管會自行關斷。

三、用萬用表可以區分晶閘管的三個電極嗎?怎樣測試晶閘管的好壞呢?

普通晶閘管的三個電極可以用萬用表歐姆擋R×100擋位來測。大家知道,晶閘管G、K之間是一個PN結〔圖2(a)〕,相當於一個二極管,G為正極、K為負極,所以,按照測試二極管的方法,找出三個極中的兩個極,測它的正、反向電阻,電阻小時,萬用表黑表筆接的是控制極G,紅表筆接的是陰極K,剩下的一個就是陽極A了。測試晶閘管的好壞,可以用剛才演示用的示教板電路(圖3)。接通電源開關S,按一下按鈕開關SB,燈泡發光就是好的,不發光就是壞的

四、晶閘管在電路中的主要用途是什麼?

普通晶閘管最基本的用途就是可控整流。大家熟悉的二極管整流電路屬於不可控整流電路。如果把二極管換成晶閘管,就可以構成可控整流電路。現在我畫一個最簡單的單相半波可控整流電路〔圖4(a)〕。在正弦交流電壓U2的正半週期間,如果VS的控制極沒有輸入觸發脈衝Ug,VS仍然不能導通,只有在U2處於正半周,在控制極外加觸發脈衝Ug時,晶閘管被觸發導通。現在,畫出它的波形圖〔圖4(c)及(d)〕,可以看到,只有在觸發脈衝Ug到來時,負載RL上才有電壓UL輸出(波形圖上陰影部分)。Ug到來得早,晶閘管導通的時間就早;Ug到來得晚,晶閘管導通的時間就晚。通過改變控制極上觸發脈衝Ug到來的時間,就可以調節負載上輸出電壓的平均值UL(陰影部分的面積大小)。在電工技術中,常把交流電的半個週期定為180°,稱為電角度。這樣,在U2的每個正半周,從零值開始到觸發脈衝到來瞬間所經歷的電角度稱為控制角α;在每個正半周內晶閘管導通的電角度叫導通角θ。很明顯,α和θ都是用來表示晶閘管在承受正向電壓的半個週期的導通或阻斷範圍的。通過改變控制角α或導通角θ,改變負載上脈衝直流電壓的平均值UL,實現了可控整流。

五、在橋式整流電路中,把二極管都換成晶閘管是不是就成了可控整流電路了呢?

在橋式整流電路中,只需要把兩個二極管換成晶閘管就能構成全波可控整流電路了。現在畫出電路圖和波形圖(圖5),就能看明白了。

六、晶閘管控制極所需的觸發脈衝是怎麼產生的呢?

晶閘管觸發電路的形式很多,常用的有阻容移相橋觸發電路、單結晶體管觸發電路、晶體三極管觸發電路、利用小晶閘管觸發大晶閘管的觸發電路,等等。今天大家制作的調壓器,採用的是單結晶體管觸發電路。

七、什麼是單結晶體管?它有什麼特殊性能呢?

單結晶體管又叫雙基極二極管,是由一個PN結和三個電極構成的半導體器件(圖6)。我們先畫出它的結構示意圖〔圖7(a)〕。在一塊N型硅片兩端,製作兩個電極,分別叫做第一基極B1和第二基極B2;硅片的另一側靠近B2處製作了一個PN結,相當於一隻二極管,在P區引出的電極叫發射極E。為了分析方便,可以把B1、B2之間的N型區域等效為一個純電阻RBB,稱為基區電阻,並可看作是兩個電阻RB2、RB1的串聯〔圖7(b)〕。值得注意的是RB1的阻值會隨發射極電流IE的變化而改變,具有可變電阻的特性。如果在兩個基極B2、B1之間加上一個直流電壓UBB,則A點的電壓UA為:若發射極電壓UE<UA,二極管VD截止;當UE大於單結晶體管的峯點電壓UP(UP=UD+UA)時,二極管VD導通,發射極電流IE注入RB1,使RB1的阻值急劇變小,E點電位UE隨之下降,出現了IE增大UE反而降低的現象,稱為負阻效應。發射極電流IE繼續增加,發射極電壓UE不斷下降,當UE下降到谷點電壓UV以下時,單結晶體管就進入截止狀態。

八、怎樣利用單結晶體管組成晶閘管觸發電路呢?

單結晶體管組成的觸發脈衝產生電路在今天大家制作的調壓器中已經具體應用了。為了説明它的工作原理,我們單獨畫出單結晶體管張弛振盪器的電路(圖8)。它是由單結晶體管和RC充放電電路組成的。合上電源開關S後,電源UBB經電位器RP向電容器C充電,電容器上的電壓UC按指數規律上升。當UC上升到單結晶體管的峯點電壓UP時,單結晶體管突然導通,基區電阻RB1急劇減小,電容器C通過PN結向電阻R1迅速放電,使R1兩端電壓Ug發生一個正跳變,形成陡峭的脈衝前沿〔圖8(b)〕。隨着電容器C的放電,UE按指數規律下降,直到低於谷點電壓UV時單結晶體管截止。這樣,在R1兩端輸出的是尖頂觸發脈衝。此時,電源UBB又開始給電容器C充電,進入第二個充放電過程。這樣周而復始,電路中進行着週期性的振盪。調節RP可以改變振盪週期。

構建可控圖像生成數據集_ie_03

九、在可控整流電路的波形圖中,發現晶閘管承受正向電壓的每半個週期內,發出第一個觸發脈衝的時刻都相同,也就是控制角α和導通角θ都相等,那麼,單結晶體管張弛振盪器怎樣才能與交流電源準確地配合以實現有效的控制呢?

為了實現整流電路輸出電壓“可控”,必須使晶閘管承受正向電壓的每半個週期內,觸發電路發出第一個觸發脈衝的時刻都相同,這種相互配合的工作方式,稱為觸發脈衝與電源同步。

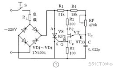
怎樣才能做到同步呢?大家再看調壓器的電路圖(圖1)。請注意,在這裏單結晶體管張弛振盪器的電源是取自橋式整流電路輸出的全波脈衝直流電壓。在晶閘管沒有導通時,張弛振盪器的電容器C被電源充電,UC按指數規律上升到峯點電壓UP時,單結晶體管VT導通,在VS導通期間,負載RL上有交流電壓和電流,與此同時,導通的VS兩端電壓降很小,迫使張弛振盪器停止工作。當交流電壓過零瞬間,晶閘管VS被迫關斷,張弛振盪器得電,又開始給電容器C充電,重複以上過程。這樣,每次交流電壓過零後,張弛振盪器發出第一個觸發脈衝的時刻都相同,這個時刻取決於RP的阻值和C的電容量。調節RP的阻值,就可以改變電容器C的充電時間,也就改變了第一個Ug發出的時刻,相應地改變了晶閘管的控制角,使負載RL上輸出電壓的平均值發生變化,達到調壓的目的。

雙向晶閘管的T1和T2不能互換。否則會損壞管子和相關的控制電路。

可控硅元件的結構

不管可控硅的外形如何,它們的管芯都是由P型硅和N型硅組成的四層P1N1P2N2結構。見圖1。它有三個PN結(J1、J2、J3),從J1結構的P1層引出陽極A,從N2層引出陰級K,從P2層引出控制極G,所以它是一種四層三端的半導體器件。

構建可控圖像生成數據集_測試_04

圖1、可控硅結構示意圖和符號圖