一、工作原理
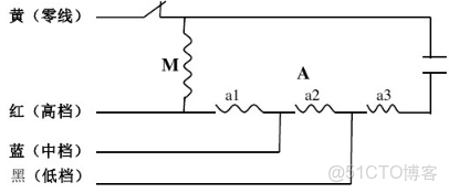
目前風機盤管電機普遍採用單相運轉異步電動機,且有高、中、低等多檔調速,調速方法為副相抽頭的L型調速。電機的極數為四、六極,接線電器原理圖如下:
圖中的M代表主相繞組,A代表付相繞組,且副相由a1、a2、a3三層調速繞組串連而成,用以實現電機繞組帶負載時的三檔調速。
二、接線錯誤導致燒燬
由誤認零線和多台機組並聯使用導致。表現如下:
燒燬原理:
電機正常接線時電流圖,以低檔通電運行為例。
接線錯誤將中檔接入外界零線時電流圖
從以上示意圖可看出當低檔運行時起作用的繞組是 1 + 2+ 3,而接線錯誤時,通電的繞組只是3,但這部分繞組阻值很小,通電後造成電流過大,温度急劇升高,且由於電機熱保護器是串聯於零線內,導致無法切斷電源,最終導致電機燒燬。
注:以上圖為例,當機組一直運行於中檔時,電機不會出現燒燬。
主副相區分:
主副相區分時,可將副相引線拉開,與其相連的即為副相繞組。
參考案例:
1:某酒店多台電機燒燬,工程部將燒燬機組接線拆除。當天 檢查時又發生一台燒燬,檢查接線如下:
黃線為零線,現將高檔電源線接入機組零線。
2:某酒店多台電機燒燬,現場發現電源線均使用同一顏色線。檢查發現電源線與零線混淆。如下:
1、多台機組並聯使用
同一只控制開頭控制兩台及以上盤管機組,即為多台並聯接線。因電機在高、中、低檔運行時,在副相繞組上,即紅、蘭、黑上會有電勢存在,不同電機,對應顏色線上的電勢不同,如強制並連在一起,就會有電流從電勢高流入電勢低,在電機與電機之間形成環流,導致電機局部繞組温升變高,嚴重時致使電機局部繞組燒燬,電機停轉。此燒燬電機對與之相對應之電機局部繞組形成短路,很快會導致另一電機局部繞組燒燬。相同型號機組因風阻不同也會出現類似情況。原理:
2、整體高温
以上情況主要有以下因素導致:
A:電源異常,如:電壓過高、頻率不對等;
B:負載異常,如:風管、迴風箱尺寸不符合要求,風輪改變等;
C:堵轉,如:風輪卡死等。
3、匝間燒燬
匝間短路主要是由於漆膜破損導致的漆包線與漆包線之間短路。
導致匝間短路的因素有:
A:漆包線針孔多;
B:定子繞嵌線時漆膜受損;
C:使用時異物戳入定子導致漆包線受損。
三、檢查流程
出現電機不運行時,按以下步驟檢查:
1、檢查控制器、電源是否正常;
2、檢查風管等外界因素是否符合安裝要求;
3、檢查電機電阻值和機組接線情況;
4、檢查電機燒燬後定子情況,並根據以上參照進行判定。
5、燒燬現象為副相燒燬發黑,主相正常的,應檢查機組接線,必 要時應全項目機組進行接線檢查。
歷史推薦
● 暖通施工3大問題8大要點!個個要牢記!
● 一次迴風、二次迴風、單風管、雙風管,你都懂嗎?
● 暖通空調必備知識:冷量、水泵揚程、通風的估算
● 你不曾注意的這些製冷知識,其實非常關鍵!
● 水泵基礎做法與安裝,全是最實用的現場經驗!
● 暖通風管風量如何計算?
● 圖文並茂收穫滿滿!製冷原理+製冷系統+製冷部件原理+焓濕圖
● 空調水管安裝方案(節選)