1.寄存器

用於暫時存放二進制數據的器件,由觸發器組成;

LOAD控制端:負責數據的裝入控制;

CLK同步時鐘信號:在其邊沿時刻完成動作;

ENB輸出允許信號:允許數據輸出。

寄存器特點

用於暫存數據。不同於存儲器,數量少,速度快。

寄存器分類

緩衝寄存器(Buffer Register):暫存數據。

移位寄存器(Shift Register):除存儲功能外,還具有移位功能。

計數器(Counter):除存儲功能外,還具有計數功能。

累加器(Accumulator):用於暫存ALU的計算結果;eg:緩衝寄存器由邊沿觸發的D觸發器組成。例如可控緩衝寄存器:每個D觸發器增加一個裝入控制門LOAD。

2.算術邏輯單元ALU(Arithmetic Logical Unit)

用於實現算術與邏輯運算,包括加、減、乘、除等算術運算和與、或、非、異或、同或等邏輯運算。其符號表示如下:

A、B:參與運算的兩個輸入數據

control:控制信號

s:輸出的運算結果

systemtick寄存器_數據

3.三態門&三態輸出電路

三態:指正常0態、正常1態、高阻態(簡稱Z態);

高阻態是指電路的0、1輸出級都是截止的,輸出呈高阻。

三態門電路可由兩個或非門和兩個NMOS晶體管及一個非門組成。

工作原理:

E=0(低電平)時,A、B之間斷開(輸出為高阻抗),

E=1(高電平)時,A、B之間導通(輸出=輸入)。

E

A

B

0

0

高阻

0

1

高阻

1

0

0

1

1

1

3.三態輸出電路

可使一條信號傳輸線能與多個觸發器接通,當連接在總線的三態電路呈高阻時,電路在形式上和總線相連,實際上可看作是和總線脱開的。

·作用:使多個輸入、輸出信號共享一條信號傳輸線,達到節省線路的目的。

·三態門是構成總線部件不可缺少的電路元件。

注意:用兩個三態門可構成雙向三態輸出電路,三態門簡稱E門,裝入門簡稱L門。

4.總線結構

功能:實現各部件之間信息的流通。

在任一時刻,掛接在總線上的部件只允許有一個部件向總線輸出信號,允許多個部件接收信號。

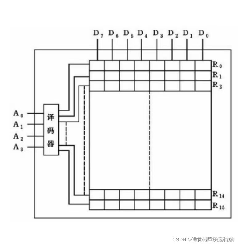
5.存儲器(Memory)

·寄存器能力有限,存儲器產生。

·寄存器是計算機系統中的主要記憶設備,用於存儲程序和數據的裝置。

·存儲器分類:

·按用途:可分為主存儲器(內存)和輔助存儲器(外存);

·根據是否允許重新寫入:只讀存儲器(ROM)和隨機存取存儲器(RAM);

·存儲器由許多存儲單元組成,每個存儲單元所存儲的內容稱為一個字(word),一個字由若干個位(bit)構成,8個bit稱為1個字節。

為了能夠精確地訪問到所需要的存儲單元,必須為每個存儲單元分配一個地址(address)。地址是二進制代碼,n位地址碼可以表示2^n個地址,即n根地址線可以譯出2^n個地址號。

systemtick寄存器_#嵌入式硬件_02

上圖是一個16*8的存儲器,有16個存儲單元,每個單元為8位記憶字(即每單元保存一個字節)的集成電路芯片。

18*8的存儲器,需要幾根地址線?       5

26*16的存儲器,需要幾根地址線?     5

16*16的存儲器,需要多少根數據線?16

systemtick寄存器_數據_03

6.微處理器 (microprocessor)

是微型計算機的運算及控制部件,也稱中央處理單元(CPU)。微處理器由算術邏輯部件(ALU)、控制部件、寄存器組和片內總線等幾部分組成。                              

第一代微處理器

第二代微處理器

第三代微處理器

第四代微處理器