功能描述

1、採用51單片機作為主控芯片;
2、採用HX711+測重電橋測量體重;
3、採用18B20測量體温;
4、支持監測模式、查詢模式,按鍵切換;
5、採用12864液晶顯示:模式、編號、體重、體温;
6、支持保存、查詢3組測量結果;

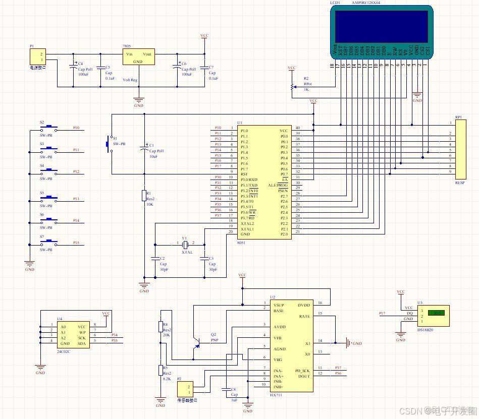
電路設計

採用Altium Designer作為電路設計工具。Altium Designer通過把原理圖設計、PCB繪製編輯、拓撲邏輯自動佈線、信號完整性分析和設計輸出等技術的完美融合,為設計者提供了全新的設計解決方案,使設計者可以輕鬆進行設計,熟練使用這一軟件必將使電路設計的質量和效率大大提高。

0134-基於單片機-體重秤(+體温)-系統設計(12864+HX711+18B20+24C02)_上拉電阻

單片機管腳説明:

P0端口(P0.0-P0.7):P0口為一個8位漏極開路雙向I/O口,每個引腳可吸收8TTL門電流。當P1口的管腳第一次寫1時,被定義為高阻輸入。P0能夠用於外部程序數據存儲器,它可以被定義為數據/地址的第八位。在FIASH編程時,P0 口作為原碼輸入口,當FIASH進行校驗時,P0輸出原碼,此時P0外部必須被拉高。

P1端口(P1.0-P1.7):P1口是一個內部提供上拉電阻的8位雙向I/O口,P1口緩衝器能接收輸出4TTL門電流。P1口管腳寫入1後,被內部上拉為高電平,可用作輸入,P1口被外部下拉為低電平時,將輸出電流,這是由於內部上拉的緣故。在FLASH編程和校驗時,P1口作為第八位地址接收。

P2端口(P2.0-P2.7):P2口為一個內部上拉電阻的8位雙向I/O口,P2口緩衝器可接收,輸出4個TTL門電流,當P2口被寫“1”時,其管腳被內部上拉電阻拉高,且作為輸入。並因此作為輸入時,P2口的管腳被外部拉低,將輸出電流。這是由於內部上拉的緣故。P2口,用於外部程序存儲器或16位地址外部數據存儲器進行存取時,P2口輸出地址的高八位。在給出地址“1”時,它利用內部上拉優勢,當對外部八位地址數據存儲器進行讀寫時,P2口輸出其特殊功能寄存器的內容。P2口在FLASH編程和校驗時接收高八位地址信號和控制信號。

P3端口(P3.0-P3.7):P3口管腳是一個帶有內部上拉電阻的8位的雙向I/O端口,可接收輸出4個TTL門電流。當P3口寫入“1”後,它們被內部上拉為高電平,並用作輸入。作為輸入端時,由於外部下拉為低電平,P3口將輸出電流(ILL)。P3口同時為閃爍編程和編程校驗接收一些控制信號。

仿真設計

採用Proteus作為仿真設計工具。Proteus是一款著名的EDA工具(仿真軟件),從原理圖布圖、代碼調試到單片機與外圍電路協同仿真,一鍵切換到PCB設計,真正實現了從概念到產品的完整設計。

0134-基於單片機-體重秤(+體温)-系統設計(12864+HX711+18B20+24C02)_上拉電阻_02

主程序設計

void main()
{
	uchar i=0;
	lcd_init();                 // 初始化
    lcd_clear(0);               // 清屏
    lcd_set_line(0);            // 設置起始行為0
		display(0,0,str1);//模式
		 display(0,1,str2);
		 display(0,2,str9);

		 display(1,0,str3);//編號
		 display(1,1,str4);
		 display(1,2,str9);

		 display(2,0,str5);//體重
		 display(2,1,str6);
		 display(2,2,str9);

		 display(3,0,str7);//體温
		 display(3,1,str8);
		 display(3,2,str9);

	TMOD|=0X01;
	TH0=0X3C;
	TL0=0XB0;	
	ET0=1;//打開定時器0中斷允許
	EA=1;//打開總中斷
	TR0=1;//打開定時器
	while(1)
	{			
		i=key_scan();//按鍵檢測
		//輸入數字
		if(mode==0)//測量模式
		{
			if((i>0)&&(i<4))
			{
				num=i;
			}
		}
		else//查詢模式
		{
			if((i>0)&&(i<11))
			{
				cha=i;
				TR0=0;
				j=At24c02Read(cha*3);//讀取查詢值
				k=j;
				k=k<<8;
				k=k+At24c02Read(cha*3+1);
				j=At24c02Read(cha*3+2);	
				TR0=1;
			}						
		}