功能描述

1、採用51單片機作為主控芯片;
2、採用SHT11檢測濕度,精度小數點後1位;
3、採用18B20檢測温度,精度小數點後2位;
4、採用12864液晶顯示:實時温濕度、超限報警、設置閾值;
5、矩陣鍵盤設置温度上限、温度下限、濕度閾值,超限報警;

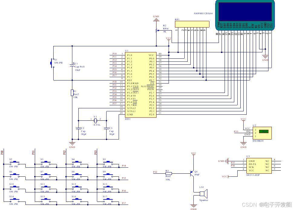
電路設計

採用Altium Designer作為電路設計工具。Altium Designer通過把原理圖設計、PCB繪製編輯、拓撲邏輯自動佈線、信號完整性分析和設計輸出等技術的完美融合,為設計者提供了全新的設計解決方案,使設計者可以輕鬆進行設計,熟練使用這一軟件必將使電路設計的質量和效率大大提高。

0154-基於單片機-温濕度監測-系統設計(12864+18B20+SHT11)_電路設計

單片機管腳説明:

P0端口(P0.0-P0.7):P0口為一個8位漏極開路雙向I/O口,每個引腳可吸收8TTL門電流。當P1口的管腳第一次寫1時,被定義為高阻輸入。P0能夠用於外部程序數據存儲器,它可以被定義為數據/地址的第八位。在FIASH編程時,P0 口作為原碼輸入口,當FIASH進行校驗時,P0輸出原碼,此時P0外部必須被拉高。

P1端口(P1.0-P1.7):P1口是一個內部提供上拉電阻的8位雙向I/O口,P1口緩衝器能接收輸出4TTL門電流。P1口管腳寫入1後,被內部上拉為高電平,可用作輸入,P1口被外部下拉為低電平時,將輸出電流,這是由於內部上拉的緣故。在FLASH編程和校驗時,P1口作為第八位地址接收。

P2端口(P2.0-P2.7):P2口為一個內部上拉電阻的8位雙向I/O口,P2口緩衝器可接收,輸出4個TTL門電流,當P2口被寫“1”時,其管腳被內部上拉電阻拉高,且作為輸入。並因此作為輸入時,P2口的管腳被外部拉低,將輸出電流。這是由於內部上拉的緣故。P2口,用於外部程序存儲器或16位地址外部數據存儲器進行存取時,P2口輸出地址的高八位。在給出地址“1”時,它利用內部上拉優勢,當對外部八位地址數據存儲器進行讀寫時,P2口輸出其特殊功能寄存器的內容。P2口在FLASH編程和校驗時接收高八位地址信號和控制信號。

P3端口(P3.0-P3.7):P3口管腳是一個帶有內部上拉電阻的8位的雙向I/O端口,可接收輸出4個TTL門電流。當P3口寫入“1”後,它們被內部上拉為高電平,並用作輸入。作為輸入端時,由於外部下拉為低電平,P3口將輸出電流(ILL)。P3口同時為閃爍編程和編程校驗接收一些控制信號。

仿真設計

採用Proteus作為仿真設計工具。Proteus是一款著名的EDA工具(仿真軟件),從原理圖布圖、代碼調試到單片機與外圍電路協同仿真,一鍵切換到PCB設計,真正實現了從概念到產品的完整設計。

0154-基於單片機-温濕度監測-系統設計(12864+18B20+SHT11)_電路設計_02

主程序設計

void main()
{
    uchar i=0;
	lcd_init();                 // 初始化
    lcd_clear(0);               // 清屏
    lcd_set_line(0);             // 設置起始行為0

 	TMOD|=0X01;
	TH0=0X3C;
	TL0=0XB0;	
	ET0=1;//打開定時器0中斷允許
	EA=1;//打開總中斷
	TR0=1;//打開定時器
    while (1)
	{
		//按鍵檢測
		i=key_scan();
		if(i==1)   //設置
			mode=1;
		if(i==2)   //確認
			mode=0;
		if(mode>0)//選擇
		{
			if(i==3)
			{
				if(mode>1)
					mode--;
			}
			if(i==4)
			{
				if(mode<3)
					mode++;
			}
		}
		if(mode==1)//設置温度下限
		{
			if(i==5)
			{
				if(wen_set1<wen_set2)
					wen_set1+=1;
			}
			if(i==6)
			{
				if(wen_set1<wen_set2)
					wen_set1+=0.1;
			}
			if(i==7)
			{
				if(wen_set1<wen_set2)
					wen_set1+=0.01;
			}
			if(i==9)
			{
				if(wen_set1>-81.09)
					wen_set1-=1;
			}
			if(i==10)
			{
				if(wen_set1>-81.09)
					wen_set1-=0.1;
			}
			if(i==11)
			{
				if(wen_set1>-81.09)
					wen_set1-=0.01;
			}
		}
		if(mode==2)//設置温度上限
		{
			if(i==5)
			{
				if(wen_set2<81.09)
					wen_set2+=1;
			}
			if(i==6)
			{
				if(wen_set2<81.09)
					wen_set2+=0.1;
			}
			if(i==7)
			{
				if(wen_set2<81.09)
					wen_set2+=0.01;
			}
			if(i==9)
			{
				if(wen_set2>wen_set1)
					wen_set2-=1;
			}