實用指南:電壓源和電流源學習理解_電流源

文章目錄

  • 前言
  • 一、什麼是電壓源
  • 二、什麼是電流源
  • 三、為什麼要分這兩種?它們分別是什麼用途?
  • 1. 用途:電壓源
  • 2. 用途:電流源
  • 四、目前的主流的設計路線
  • 4.1高精度低噪聲電壓源主流硬件設計開發路線
  • 4.2高精度電流源目前的主流硬件設計開發路線
  • 五、完成高精度與低噪聲的關鍵技術
  • 六、 發展趨勢與前沿應用

前言

什麼是電壓源,什麼是電流源,為什麼要分這兩種,這兩種分別是什麼用途?

一、什麼是電壓源

多少,它都能保持其輸出端電壓恆定不變。就是核心定義: 一個理想電壓源是一個兩端電路元件,無論流過它的電流

固定的,由電源本身決定。輸出電流(I)則完全由它所連接的外部電路(負載)決定。就是特點: 輸出電壓(V)

現實中的近似例子:

市電插座: 中國的家庭插座提供約220V的交流電壓,無論你插上台燈(小功率)還是空調(大功率),電壓主要穩定在220V左右(理想情況下)。

實用指南:電壓源和電流源學習理解_硬件設計_02


全新的乾電池: 在電流需求不大時,它能夠提供非常接近1.5V的電壓。

實用指南:電壓源和電流源學習理解_高精度_03


實驗室直流穩壓電源: 當你設定好電壓值時,它就是一個很好的電壓源。

實用指南:電壓源和電流源學習理解_硬件設計_04

關鍵概念: 實際中的電壓源並非理想狀態,它有內阻。當輸出電流很大時,內阻會分掉一部分電壓,導致輸出電壓下降。因此,一個“好”的電壓源,其內阻應該趨近於零。

二、什麼是電流源

核心定義: 一個理想電流源是一個兩端電路元件,無論其兩端電壓是多少,它都能保持其輸出電流恆定不變。

特點: 輸出電流(I)是固定的,由電源本身決定。它兩端的電壓(V)則完全由它所連接的外部電路(負載)決定。

太陽能電池板: 在一定的光照條件下,它可以被近似看成一個恆流源,輸出電流基本恆定。

實用指南:電壓源和電流源學習理解_高精度_05


晶體三極管: 在放大區,其集電極電流主要由基極電流控制,可以看作一個受控的電流源。這是電流源在集成電路中最重要的應用之一。

實用指南:電壓源和電流源學習理解_電流源_06


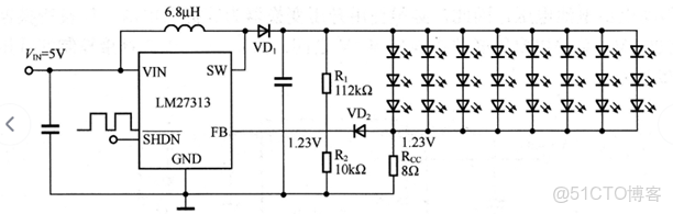
LED驅動電路: 為了穩定LED的亮度,防止其燒燬,通常會利用專門的恆流驅動電路。

實用指南:電壓源和電流源學習理解_高精度_07


重點概念: 實際中的電流源也非理想狀態,它有內導(內阻的倒數)。一個“好”的電流源,其內阻應該趨近於無窮大,這樣絕大部分電流才會被“逼”着流向負載。

為什麼電流能恆定,那其實還是不停的改變輸出電壓的大小來保證輸出電流的恆定,那肯定會涉及到電流採樣,以及反饋環路

三、為什麼要分這兩種?它們分別是什麼用途?

區分這兩種源的根本原因在於:自然界和電路設計中,存在兩種不同的需求——“穩定電壓”和“穩定電流”。

1. 用途:電壓源

電壓源的目標是提供一個穩定的工作平台。絕大多數電子設備都需要一個穩定的電壓來正常工作。
為數字電路供電: CPU、內存、數字芯片都需要非常穩定且乾淨的電壓(如5V, 3.3V, 1.2V)才能正確識別0和1。
為模擬電路供電: 運算放大器、音頻功放等需要穩定的電壓作為偏置和供電。
日常用電: 所有家用電器都設計為在220V/110V的標準電壓下工作。

2. 用途:電流源

電流源的目標是精確控制電流的流動。在一些特定應用中,電流的大小直接決定了最終的效果或設備的壽命。

驅動LED: LED的亮度由流過它的電流決定,而其電壓-電流關係是非線性的。微小的電壓變化會引起巨大的電流波動,容易燒燬LED。應用恆流源驅動可以確保LED亮度穩定、壽命長久。

晶體管放大器的偏置: 用電流源做有源負載可以獲得極高且穩定的增益。

電池充電: 很多充電協議(如鋰電池的恆流階段)需要先用恆定電流充電,以快速安全地將電量充至一定水平。

一個提供穩定直流電壓的開關電源。不過,為了實現快速、安全的充電,它在整個充電過程中會智能地結合電壓源和電流源兩種工作模式就是手機充電器在本質上是一個電壓源,更準確地説,它

實用指南:電壓源和電流源學習理解_電流源_08


實用指南:電壓源和電流源學習理解_高精度_09

測量儀表: 在需要高精度的場合,如用已知電流流過未知電阻並通過測量電壓來計算電阻值(歐姆定律)。

四、目前的主流的設計路線

4.1高精度低噪聲電壓源主流硬件設計研發路線

高精度基準 → 精密DAC → 低噪聲輸出緩衝比如基準電壓源(如ADR445)、高分辨率DAC(18位及以上)、低噪聲運放(如AD8675)
通過電壓反饋環路(監測輸出電壓),從而進行調節

4.2高精度電流源目前的主流硬件設計製作路線

電壓基準 → V-I轉換電路(運放+功率管)→ 高精度電流採樣
需要用到高精度、低温漂採樣電阻(如錳銅合金)、低噪聲功率運算放大器
通過電流反饋環路(監測輸出電流,常採用差分放大采樣)

比如主控MCU依據DAC輸出設定電壓,經由高精度運放驅動功率晶體管構成的壓控電流源(VCCS),實現電流編程輸出。反饋環節採用低阻值分流電阻採樣,信號經差分放大與濾波後送入ADC,形成閉環PID調節。

實用指南:電壓源和電流源學習理解_高精度_10

五、實現高精度與低噪聲的關鍵技術

①精密的閉環控制與智能算法
無論是電壓源還是電流源,都依賴於閉環反饋控制。現代設計普遍採用數字控制的PID(比例-積分-微分)算法或更先進的自適應控制算法。積分項(I)能消除靜態誤差,微分項(D)可預測變化抑制超調。通過高速數字信號處理器(DSP)實時調整,環境能快速響應負載突變,完成“無聲”的穩定輸出。
②全方位的噪聲抑制與電磁兼容設計
“低噪聲”是設計的關鍵挑戰。主流方案包括:
元器件級:選擇低噪聲運算放大器和低等效串聯電阻的電容。
電路板級:採用嚴格的PCB佈局規範,如將模擬與數字地分離,採用星型接地,縮短高頻信號路徑,並對敏感電路進行屏蔽。
系統級:在電源輸入端和輸出端增加EMI濾波器和LC濾波網絡,有效抑制內外部的電磁干擾。
③系統的温度補償與長期穩定性維護
環境温度變化是導致精度漂移的主因。主流方案是引入温度傳感器(如NTC熱敏電阻),實時監測關鍵元件温度,並據此動態調整基準電壓或控制參數,進行軟件補償。對於要求極高的應用,會選用温度係數極低的元件(如5ppm/℃的基準源和0.6ppm/℃的精密電阻)從硬件層面降低温漂。
④嚴格的校準與測試流程
高精度不是一蹴而就的。出廠前,每個單元都會使用比自身精度高一個數量級的標準設備(如六位半萬用表、高精度電子負載)進行多點校準,建立誤差修正表。同時,還會進行動態響應測試,使用電子負載和示波器驗證電源在負載突變時的恢復能力,確保既穩定又迅速。

六、 發展趨勢與前沿應用

當前的設計路線正朝着更智能、更集成的方向發展:
數字化與智能化:越來越多地使用MCU或DSP作為控制核心,便於建立艱難的算法、自動調諧、故障診斷和遠程通信。
多通道與協同控制:在量子計算、大規模探測器陣列(如超導轉變邊緣探測器TES)等前沿領域,要求成千上萬通道的電壓/電流源同步工作,這對多通道間的同步精度和協同控制提出了極高要求