博客 / 詳情

返回

基於 STM32 的智能窗户控制系統設計與實現【源碼分享】

基於 STM32 的智能窗户控制系統設計與實現【源碼分享】

智能家居的發展正讓越來越多的傳統設備煥發生機,而“窗户”作為家庭環境調節與安全防護的重要環節,其自動化與智能化價值也愈發顯現。本文將基於 STM32 微控制器 + ESP8266 Wi-Fi 模塊,設計並實現一個具備環境感知、安全監測、自動控制與遠程交互能力的智能窗户控制系統。整個方案以嵌入式設計為核心,兼具工程可實施性和軟硬件擴展能力。


在這裏插入圖片描述

源碼分享

免費開源,源碼見:

https://blog.csdn.net/weixin_52908342/article/details/155538167

一、系統總體架構

智能窗户控制系統以 STM32 為主控,協同 ESP8266 進行無線通信,實現以下功能:

  • 構建傳感器局域網,採集窗户周邊環境數據
  • 實時監測温濕度、雨滴、風力、光照等環境信息
  • 監測異常入侵情況,並進行本地或遠程告警
  • 控制電機實現自動開關窗
  • 使用手機 APP 遠程查看數據與控制窗户開合
  • 提供擴展接口,實現更多場景自動化

整體結構如下:

┌─────────────────────────────────┐
│           手機 App / 雲端服務      │
└───────────────▲─────────────────┘
                │ Wi-Fi (ESP8266)
┌───────────────┴─────────────────┐
│               ESP8266           │
│  Wi-Fi 通信 / MQTT / HTTP 控制通道  │
└───────────────▲─────────────────┘
                │ UART
┌───────────────┴─────────────────┐
│               STM32              │
│ 傳感器管理 | 控制算法 | 電機驅動 | 安防檢測 │
│                                     │
│        傳感器總線(I2C/ADC/UART)       │
└───────────────┬─────────────────┘
                │
       ┌────────┴──────────┐
       │        │           │
 雨滴傳感器   温濕度傳感器     光照傳感器
 風速模塊     霍爾/紅外入侵檢測  窗户位置檢測

二、無線傳感器局域網的搭建(ESP8266)

為了實現遠程控制與數據查看,系統採用 ESP8266 作為無線通信模塊。實現方式包含兩個部分:

1. ESP8266 與 STM32 的串口通信協議

通過 UART 通信,設計輕量級的數據幀結構,如:

[Header][Cmd][Len][Payload][Checksum]

用於實現以下命令交互:

  • 上傳傳感器數據
  • 發送開窗/關窗指令
  • 狀態同步、心跳包

2. Wi-Fi 與雲端/APP 的通信

主流方式包括:

  • MQTT:輕量、實時性強,適合 IoT
  • HTTP + REST API:便於調試和快速集成
  • WebSocket:適合實現實時狀態推送

ESP8266 作為網關,將 STM32 的數據透明地上傳至雲端,實現室內外雙向通信。


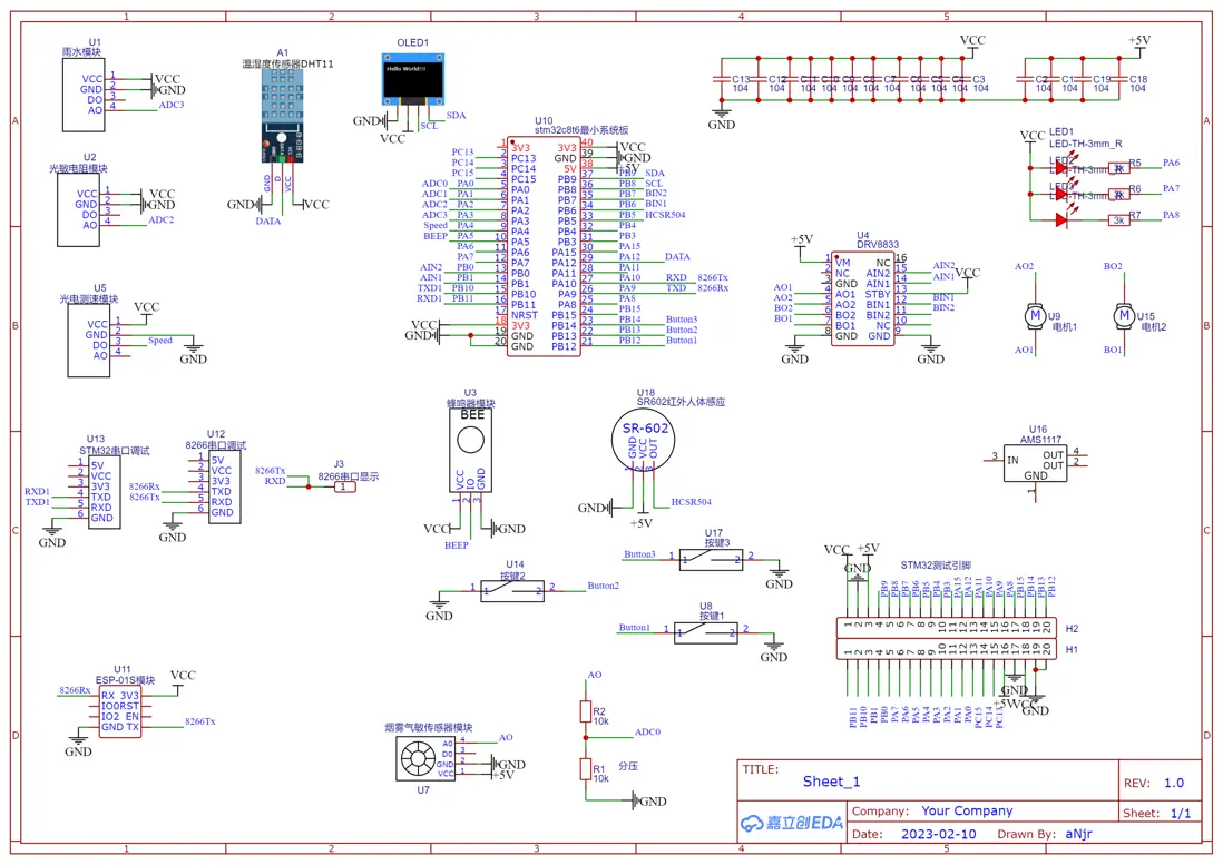
Schematic_窗户控制系統 copy_2023-07-14

三、温濕度檢測與環境數據採集

系統採用常用的温濕度傳感器(如 SHT30、DHT20)採集 室內外温濕度,並由 STM32 進行以下處理:

  • 數據濾波:如均值濾波、低通濾波
  • 數據校準:消除傳感器誤差
  • 趨勢判斷:用於窗户開關策略決策

例如:
當室外温度低於室內且空氣質量好時,可自動開窗通風;
反之,則保持關閉或僅部分開啓。

根據季節與用户習慣,還可以結合配置文件制定不同控制策略。


四、非法入侵檢測與驅離機制

考慮到窗户也是入侵入口,系統可接入多種檢測方式:

1. 紅外人體檢測(PIR)

檢測近距離移動物體,適合夜間警戒。

2. 窗户振動與位移監測

通過加速度計/震動傳感器檢測外力破窗行為。

3. 磁性開關/霍爾傳感器

判斷窗户是否被強行開啓。

當檢測到異常時:

  • 本地警告(蜂鳴器、燈光)
  • 推送警報到手機 APP
  • 可選擇自動關閉窗户

實現家庭安防的一道額外防線。


五、雨滴、風力、光照檢測與天氣聯動

户外天氣的快速變化是影響開窗的關鍵因素,系統通過以下傳感器實時監測:

1. 雨滴傳感器

檢測降雨,一旦觸發立即關窗。

2. 風速檢測模塊(小型風力傳感器)

風力過大時需限制開窗角度,避免損壞。

3. 光照強度傳感器(光敏電阻/光照度計)

通過光強變化判斷時間段或天氣情況,有助於完善自動控制策略:

例如

  • 光照變弱 + 風雨信號 → 可能即將下雨
  • 高光照 → 夏季需要減少室外熱量進入

多源數據融合使窗户控制更智能。


六、電機控制與自動開關算法

核心執行機構為直流電機或步進電機,通過 L298N、TB6612 或更高效的無刷驅動進行控制。

1. 電機結構設計

  • 推杆式開窗器:行程大、推力強
  • 齒輪齒條式:控制精度高
  • 小型舵機:適用於小窗户

2. 自動開關窗算法

算法可基於多條件決策,例如:

if (下雨 OR 風力過大) → 立即關窗
else if (室外温度低於室內 && 空氣質量好 && 無異常入侵) → 自動開窗
else if (夜間 && 温度較低) → 保持關閉

可結合 PID 控制調節開窗角度,也可通過限位開關保證安全。


七、手機 APP 遠程控制與可視化

通過 ESP8266 將數據上傳至雲端,APP 可實時查看:

  • 室內外温濕度
  • 光照、風力、雨滴狀態
  • 開窗位置和當前狀態
  • 安防告警記錄

用户可遠程執行:

  • 開窗 / 關窗 / 停止
  • 切換自動/手動模式
  • 設置窗户開合策略
  • 啓動安防警戒模式

UI 可使用 Flutter、uni-app 或原生方案開發。

在這裏插入圖片描述

總結

本文構建了一個 完整的智能窗户控制系統方案,涵蓋了傳感器網絡、環境監測、安防檢測、電機控制算法、無線通信和遠程 APP 交互。
通過 STM32 + ESP8266 的組合,使原本普通的窗户具備了環境感知、自動控制與遠程操控能力,加速傳統家居設備的智能化升級。

user avatar
0 位用戶收藏了這個故事!

發佈 評論

Some HTML is okay.